
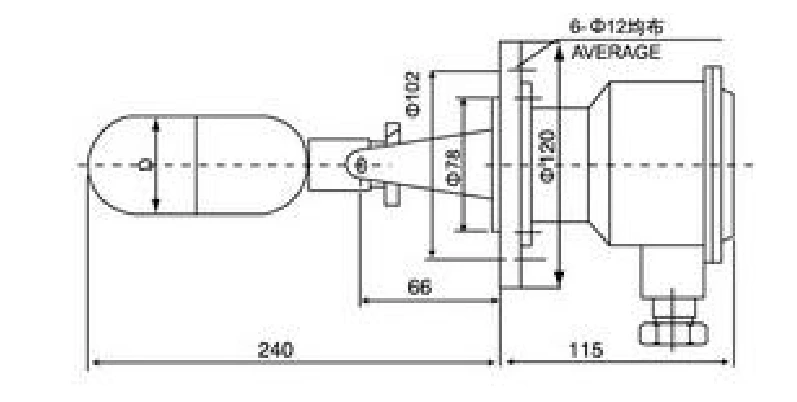
Поплавковый регулятор уровня UQK широко используется на судах, в химической промышленности и другом промышленном оборудовании для обеспечения двухпозиционного контроля и сигнализации уровня в резервуаре.
Основные параметры
| Тип модели | Форма установки Тип крепления | плохое переключение Ошибка контакта (мм) | Средняя вязкость Средняя вязкость (Па.С) | ошибка повторяемости Разница повторов (мм) | рабочее давление Рабочее давление (МПа) | Средняя температура Температура среды (t) | Средний удельный вес Средняя плотность (г/см3) | Уровень защиты Защита |
| УQК-651-С | Боковой монтаж Горизонтальный | 20-70 | ≤0,02 | ≤20 | 1.0 | ≤200 | 0,8-1,2 | IP65 |
| UQK-651-CB | ||||||||
| УQК-652-С | ||||||||
| UQK-652-CB | Верхняя установка Вертикальный | 10-40 | ||||||
| УQК-652-С/2 | ||||||||
| УQК-652-С/2Б |



